1
/
of
3
FYH
FYH Bearing UCFCX11-36 2 1/4 Round Flanged Mounted Bearing
FYH Bearing UCFCX11-36 2 1/4 Round Flanged Mounted Bearing
Regular price
$231.99 USD
Regular price
$355.00 USD
Sale price
$231.99 USD
Unit price
/
per
Couldn't load pickup availability
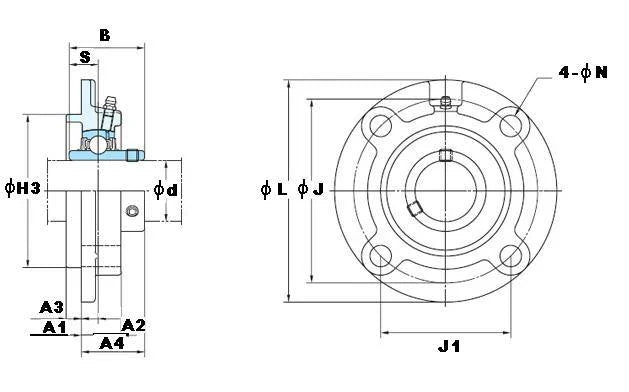
UCFCX11-36 FYH Bearing Round flanged Mounted Bearing Cylindrical bore (with set screws) 2-1/4" Inner Diameter Bearing |
This four-bolt flange cartridge unit has a round cartridge on the backside of the flange which allows for precise mounting and alignment.Application are Rotating drum, rotating roller and areas where precise mounting accuracy is required.
|
Share


