1
/
of
2
NBK
NSC-8-6-S NBK Steel Collar - Set Screw Hex Socket SUSXM7 Type - NBK - One Collar Made in Japan
NSC-8-6-S NBK Steel Collar - Set Screw Hex Socket SUSXM7 Type - NBK - One Collar Made in Japan
Regular price
$39.99 USD
Regular price
$61.00 USD
Sale price
$39.99 USD
Unit price
/
per
Couldn't load pickup availability
|
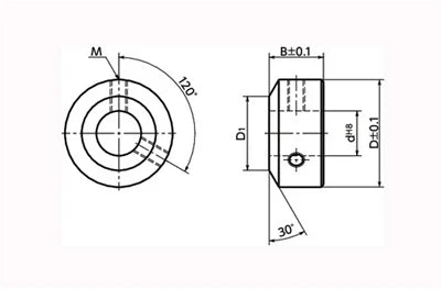
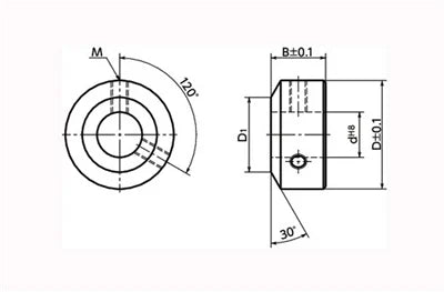
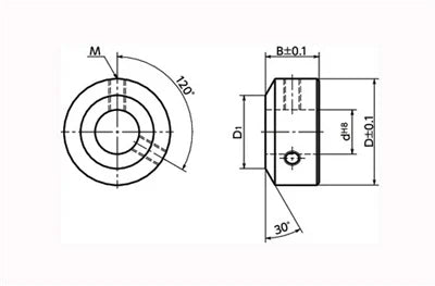
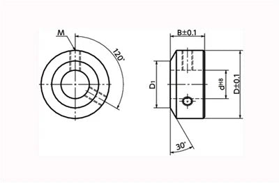
NSC-8-6-S-NBK Steel Collar - Set Screw Hex Socket SUSXM7 Type Main body (Stainless Steel SUS304) One Collar NBK - Made in Japan |
Characteristics:
|
| Part Number | d | B | D | D1 | M* 1 |
| NSC-8-6-S-NBK | 8mm | 6mm | 16mm | 13mm |
M4 |
Share
