1
/
of
3
NB
SMSF16 16mm Slide Bush Bushings Miniature Motion Linear Bearing
SMSF16 16mm Slide Bush Bushings Miniature Motion Linear Bearing
Regular price
$101.99 USD
Regular price
$156.00 USD
Sale price
$101.99 USD
Unit price
/
per
Couldn't load pickup availability
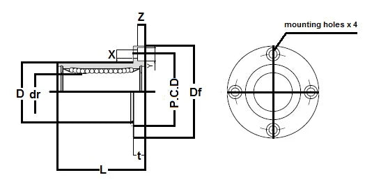
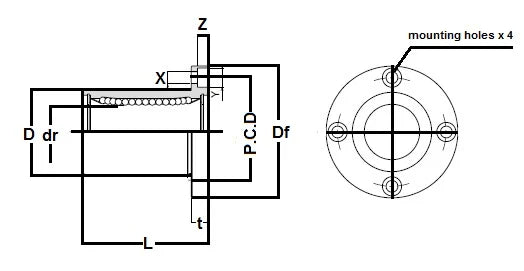
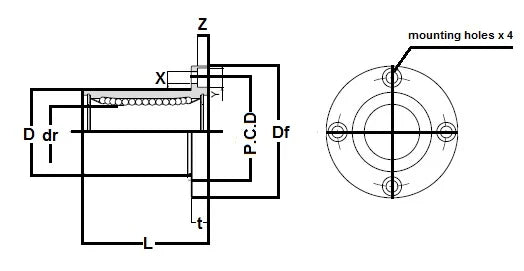
SMSF16 Round Flange Anticorrosion Type:Miniature Slide Bush Made in Japan:NB Linear Systems Nippon Bearing Miniature Linear Systems |
SMSF16 Round Flange Anticorrosion Miniature Linear Slide Bush, The retainer material is steel, series mainly used in the USA, NB brand (Nippon Bearing Linear Systems), Made in Japan.
|
Major Dimensions | ||||||||
---|---|---|---|---|---|---|---|---|
dr | D | L | Df | t | P.C.D | X x Y x Z | ||
mm | tolerance | mm | tolerance | |||||
16 | 0-9 | 28 | 0-16 | 37 | 48 | 6 | 38 | 4.5 x 7.5 x 4.1 |
Share


