1
/
of
3
NB
SMSF6UU 6mm Slide Bush Bushings Motion Linear Bearing
SMSF6UU 6mm Slide Bush Bushings Motion Linear Bearing
Regular price
$80.99 USD
Regular price
$124.00 USD
Sale price
$80.99 USD
Unit price
/
per
Couldn't load pickup availability
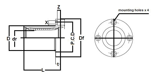
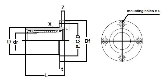
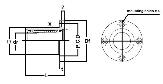
SMSF6UU Round Flange Anticorrosion Type:Miniature Slide Bush Made in Japan:NB Linear Systems Nippon Bearing Miniature Linear Systems |
SMSF6UU Round Flange Anticorrosion Miniature Linear Slide Bush, Bearing is seals on both sides, The retainer material is steel, series mainly used in the USA, NB brand (Nippon Bearing Linear Systems), Made in Japan.
|
Major Dimensions | ||||||||
---|---|---|---|---|---|---|---|---|
dr | D | L | Df | t | P.C.D | X x Y x Z | ||
mm | tolerance | mm | tolerance | |||||
6 | 0-9 | 12 | 0-13 | 19 | 28 | 5 | 20 | 3.5 x 6 x 3.1 |
Share


