1
/
of
3
NB
SMST6GWUU NB 6mm Slide Bush Bushings Miniature Motion Linear Bearing
SMST6GWUU NB 6mm Slide Bush Bushings Miniature Motion Linear Bearing
Regular price
$166.99 USD
Regular price
$255.00 USD
Sale price
$166.99 USD
Unit price
/
per
Couldn't load pickup availability
SMST6GWUU NB Two Side Cut Double Wide Bearing Flange Anticorrosion Slide Bush Made in Japan:NB Linear Systems Nippon Bearing Linear Systems |
SMST6GWUU NB Two Side Cut Double Wide Flange Anticorrosion Slide Bush, The retainer material is resin, series mainly used in the USA, NB brand (Nippon Bearing Linear Systems), Made in Japan.
|
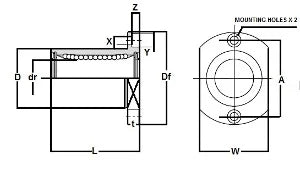
Major Dimensions | |||||||||
---|---|---|---|---|---|---|---|---|---|
dr | D | L | Df | W | t | A | X x Y x Z | ||
mm | tolerance | mm | tolerance | ||||||
6 | 0-10 | 12 | 0-13 | 35 | 28 | 18 | 5 | 20 | 3.5 x 6 x 3.1 |
Share


