1
/
von
2
NB
SMST6GUU NB 6mm Slide Bush Bushings Miniature Motion Linear Bearing
SMST6GUU NB 6mm Slide Bush Bushings Miniature Motion Linear Bearing
Normaler Preis
$85.99 USD
Normaler Preis
$132.00 USD
Verkaufspreis
$85.99 USD
Grundpreis
/
pro
Verfügbarkeit für Abholungen konnte nicht geladen werden
| SMST6GUU NB Two Side Cut Flange Anticorrosion Slide Bush Made in Japan:NB Linear Systems Nippon Bearing Linear Systems |
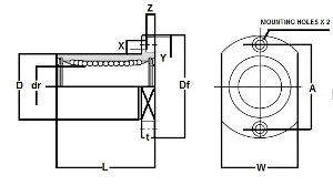
SMST6GUU NB Two Side Cut Flange Linear Anticorrosion Slide Bush, The retainer material is resin, series mainly used in the USA, NB brand (Nippon Bearing Linear Systems), Made in Japan.
|
| Major Dimensions | |||||||||
|---|---|---|---|---|---|---|---|---|---|
| dr | D | L | Df | W | t | A | X x Y x Z | ||
| mm | tolerance | mm | tolerance | ||||||
| 6 | 0-9 | 12 | 0-13 | 19 | 28 | 18 | 5 | 20 | 3.5 x 6 x 3.1 |
Share
