FYH
FYH Bearing 1 1/4 NCFL207-20 Oval Two-bolt Flange
FYH Bearing 1 1/4 NCFL207-20 Oval Two-bolt Flange
Precio habitual
$81.99 USD
Precio habitual
$125.00 USD
Precio de oferta
$81.99 USD
Precio unitario
/
por
No se pudo cargar la disponibilidad de retiro
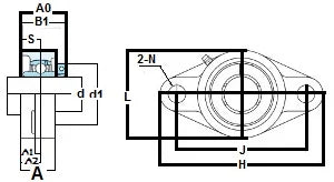
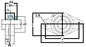
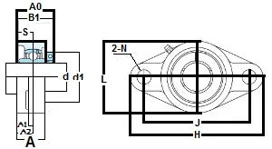
| NCFL207-20 FYH Oval Two-bolt Flange Bearing Cylindrical bore (With Concentric Locking Collar) 1 1/4" Inch Inner Diameter Bearing |
NCFL207-20 FYH Oval Two-bolt Flange Bearing, bore is Cylindrical with concentric locking collar, 1 1/4" Inner Diameter.
|
| Dimensions (mm) | ||||||||||
|---|---|---|---|---|---|---|---|---|---|---|
| H | L | A | J | N | A1 | A2 | A0 | B1 | S | d1 |
| 6-11/32" | 3-17/32" | 1-11/32" | 5-1/8" | 5/8" | 9/16" | 3/4" | 1-13/16" | 1-3/4" | 11/16" | 2-7/16" |
Share
