FYH
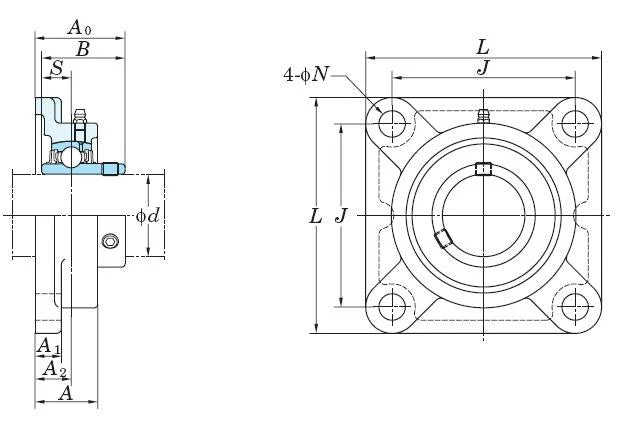
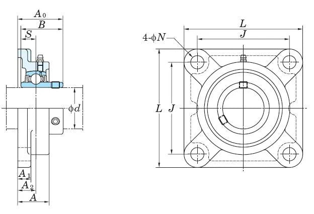
FYH Bearing UCF-210 50mm Square Flanged Mounted Bearing
FYH Bearing UCF-210 50mm Square Flanged Mounted Bearing
Precio habitual
$146.99 USD
Precio habitual
$225.00 USD
Precio de oferta
$146.99 USD
Precio unitario
/
por
No se pudo cargar la disponibilidad de retiro
| UCF-210 FYH Bearing Square Flanged Mounted Bearing Cylindrical bore (with set screws) 50mm Inner Diameter |
|
This heavy duty four-bolt flange unit has a round cartridge on the backside of the flange which allows for precise mounting and alignment. Applications are Rotating drum, rotating roller and when precise mounting accuracy is required.
|
||||||||||||||||||||||||||||||||||
Share
