FYH
FYH UCFC-205-16 1 Round Flanged Bearing Mounted Bearing
FYH UCFC-205-16 1 Round Flanged Bearing Mounted Bearing
Precio habitual
$64.99 USD
Precio habitual
$99.00 USD
Precio de oferta
$64.99 USD
Precio unitario
/
por
No se pudo cargar la disponibilidad de retiro
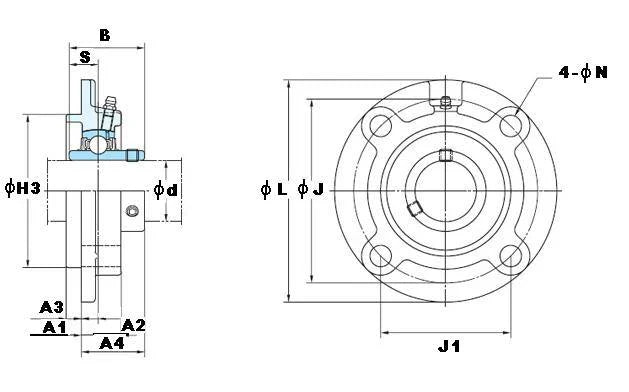
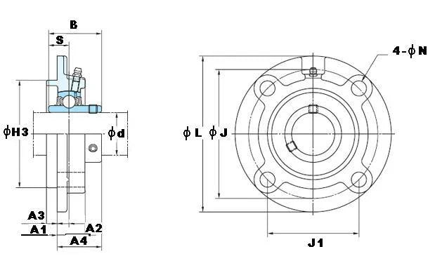
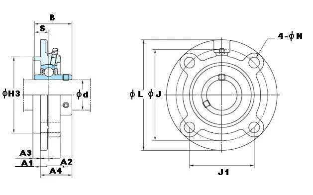
| UCFC-205-16 FYH Bearing Round flanged Mounted Bearing Cylindrical bore (with set screws) 1" Inner Diameter Bearing |
This four-bolt flange cartridge unit has a round cartridge on the backside of the flange which allows for precise mounting and alignment.Application are Rotating drum, rotating roller and areas where precise mounting accuracy is required.
|
| Dimensions (Inches) | |||||||||||
|---|---|---|---|---|---|---|---|---|---|---|---|
| d | L | H3 | J | J1 | N | A1 | A2 | A3 | A4 | B | S |
| 1" | 4-17/32" | 2.76" | 3-35/64" | 2-1/2" | 15/32" | 13/16" | 25/64" | 15/64" | 1-3/16" | 1.343" | 0.563" |
Share
