FYH
FYH UCFC-214-44 2 3/4 Round Flanged Bearing Mounted Bearing
FYH UCFC-214-44 2 3/4 Round Flanged Bearing Mounted Bearing
Precio habitual
$306.00 USD
Precio habitual
$813.00 USD
Precio de oferta
$306.00 USD
Precio unitario
/
por
No se pudo cargar la disponibilidad de retiro
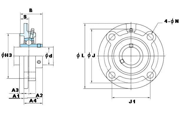
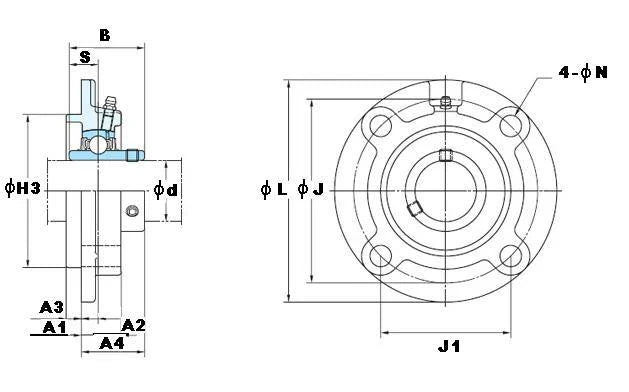
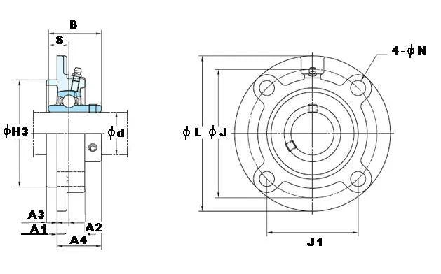
| UCFC-214-44 FYH Bearing Round flanged Mounted Bearing Cylindrical bore (with set screws) 2-3/4" Inner Diameter Bearing |
|
This four-bolt flange cartridge unit has a round cartridge on the backside of the flange which allows for precise mounting and alignment.Application are Rotating drum, rotating roller and areas where precise mounting accuracy is required.
|
|||||||||||||||||||||||||||||||||||||||
Share
