VXB
Inserto de Rodamiento GER204-12 GRIP-IT 360 Grados 3/4
Inserto de Rodamiento GER204-12 GRIP-IT 360 Grados 3/4
Precio habitual
$113.99 USD
Precio habitual
$174.00 USD
Precio de oferta
$113.99 USD
Precio unitario
/
por
No se pudo cargar la disponibilidad de retiro
| Este artículo será enviado dentro de una semana Devoluciones sujetas a una tarifa de reposición del 15% |
|
Inserto de rodamiento GER204-12 GRIP-IT con bloqueo de 360 grados Bloqueo con tornillo de fijación Diámetro interior de 3/4" Inch |
Inserto de rodamiento GER204-12 GRIP-IT con bloqueo de 360 grados, rodamiento de capacidad estándar, rodamiento con anillo interior ancho y anillo exterior cilíndrico con anillo de retención, rodamiento con ranura de relubricación y orificio de aceite en el lado opuesto al collarín de bloqueo, anillos interior y exterior con recubrimiento de óxido negro, tornillo de fijación clase 3A con parche de nylon, sello estándar tipo R.
|
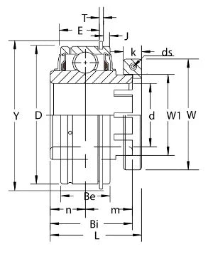
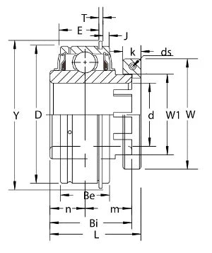
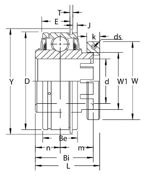
| Dimensiones (Pulgadas) | |||||||||||||
|---|---|---|---|---|---|---|---|---|---|---|---|---|---|
| D | Bi | Be | L | n | m | E | W1 | J | T | Y | K | W | ds (Rosca UNF) |
| 1-55/64" | 17/32" | 3/4" | 1-3/8" | 1/2" | 23/32" | 39/64" | 1-1/8" | 7/64" | 3/64" | 2-5/64" | 3/8 | 1-3/4 | 8-32X5/8 |
Share
