VXB
Inserto GER204-20mm GRIP-IT Rodamiento de 20mm de 360 Grados
Inserto GER204-20mm GRIP-IT Rodamiento de 20mm de 360 Grados
Precio habitual
$116.99 USD
Precio habitual
$179.00 USD
Precio de oferta
$116.99 USD
Precio unitario
/
por
No se pudo cargar la disponibilidad de retiro
| Este artículo será enviado dentro de una semana Devoluciones sujetas a una tarifa de reposición del 15% |
|
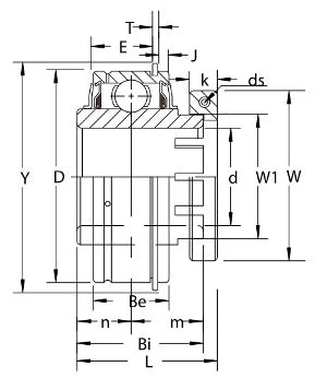
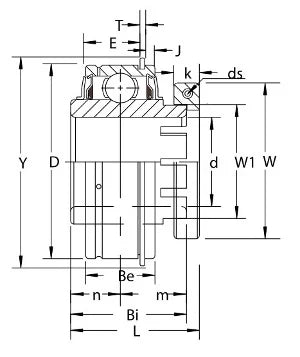
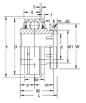
Inserto de rodamiento GER204-20mm GRIP-IT con bloqueo de 360 grados Bloqueo con tornillo de fijación Diámetro interior de 20mm |
Inserto de rodamiento GER204-20mm GRIP-IT con bloqueo de 360 grados, rodamiento de capacidad estándar, rodamiento con anillo interior ancho y anillo exterior cilíndrico con anillo de retención, rodamiento con ranura para relubricación y orificio de aceite en el lado opuesto al collarín de bloqueo, anillos interior y exterior con recubrimiento de óxido negro, tornillo de fijación clase 3A con parche de nylon, sello estándar tipo R.
|
| Dimensiones (mm) | |||||||||||||
|---|---|---|---|---|---|---|---|---|---|---|---|---|---|
| D | Bi | Be | L | n | m | E | W1 | J | T | Y | K | W | ds (Rosca UNF) |
| 47 | 31 | 19.1 | 34.9 | 12.7 | 18.3 | 15.3 | 28.7 | 2.46 | 1.35 | 52.7 | 9.5 | 44.6 | 8-32X5/8 |
Share
