VXB
Inserto de Rodamiento GER205-15 GRIP-IT 360 Grados 15/16
Inserto de Rodamiento GER205-15 GRIP-IT 360 Grados 15/16
Precio habitual
$119.99 USD
Precio habitual
$184.00 USD
Precio de oferta
$119.99 USD
Precio unitario
/
por
No se pudo cargar la disponibilidad de retiro
| Este artículo será enviado dentro de una semana Devoluciones sujetas a una tarifa de reposición del 15% |
|
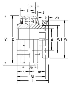
Inserto de rodamiento GER205-15 GRIP-IT con bloqueo de 360 grados Bloqueo con tornillo de fijación Diámetro interior de 15/16" Pulgada |
Inserto de rodamiento GER205-15 GRIP-IT con bloqueo de 360 grados, rodamiento de capacidad estándar, rodamiento con anillo interior ancho y anillo exterior cilíndrico con anillo de retención, rodamiento con ranura de relubricación y orificio de aceite en el lado opuesto al collar de bloqueo, anillos interior y exterior con recubrimiento de óxido negro, tornillo de fijación clase 3A con parche de nylon, sello estándar tipo R.
|
| Dimensiones (Pulgadas) | |||||||||||||
|---|---|---|---|---|---|---|---|---|---|---|---|---|---|
| D | Bi | Be | L | n | m | E | W1 | J | T | Y | K | W | ds (Rosca UNF) |
| 2-3/64" | 1-7/32" | 3/4" | 1-1/2" | 9/16" | 51/64" | 39/64" | 1-21/64" | 7/64" | 3/64" | 2-9/32" | 3/8" | 1-15/16" | 8-32x5/8 |
Share
