VXB
Inserto GER205-25mm GRIP-IT Rodamiento de 25mm y 360 Grados
Inserto GER205-25mm GRIP-IT Rodamiento de 25mm y 360 Grados
Precio habitual
$114.99 USD
Precio habitual
$176.00 USD
Precio de oferta
$114.99 USD
Precio unitario
/
por
No se pudo cargar la disponibilidad de retiro
| Este artículo será enviado dentro de una semana Devoluciones sujetas a una tarifa de reposición del 15% |
|
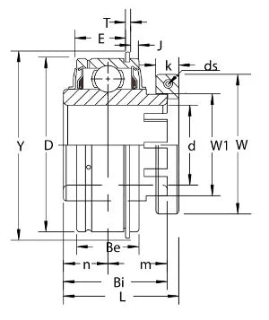
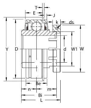
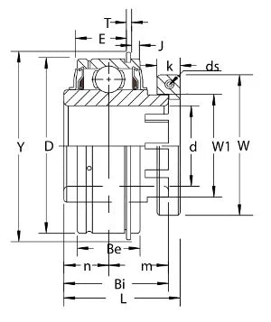
Inserto de rodamiento GER205-25mm GRIP-IT con bloqueo de 360 grados Bloqueo con tornillo de fijación Diámetro interior de 25mm |
Inserto de rodamiento GER205-25mm GRIP-IT con bloqueo de 360 grados, rodamiento de capacidad estándar, rodamiento con anillo interior ancho y anillo exterior cilíndrico con anillo de retención, rodamiento con ranura de relubricación y orificio de aceite en el lado opuesto al collarín de bloqueo, anillos interior y exterior con recubrimiento de óxido negro, tornillo de fijación clase 3A con parche de nylon, sello estándar R-seal.
|
| Dimensiones (mm) | |||||||||||||
|---|---|---|---|---|---|---|---|---|---|---|---|---|---|
| D | Bi | Be | L | n | m | E | W1 | J | T | Y | K | W | ds (Rosca UNF) |
| 52 | 34.5 | 19.1 | 38.4 | 14.3 | 20.2 | 15.3 | 33.7 | 2.46 | 1.35 | 57.9 | 9.5 | 49.2 | 8-32X5/8 |
Share
