VXB
Inserto de Rodamiento GER207-22 GRIP-IT 360 Grados 1 3/8
Inserto de Rodamiento GER207-22 GRIP-IT 360 Grados 1 3/8
Precio habitual
$187.99 USD
Precio habitual
$288.00 USD
Precio de oferta
$187.99 USD
Precio unitario
/
por
No se pudo cargar la disponibilidad de retiro
| Este artículo será enviado dentro de una semana Devoluciones sujetas a una tarifa de reposición del 15% |
|
Inserto de rodamiento GER207-22 GRIP-IT con bloqueo de 360 grados Bloqueo con tornillo de fijación Diámetro interior de 1 3/8" Pulgadas |
Inserto de rodamiento GER207-22 GRIP-IT con bloqueo de 360 grados, rodamiento de capacidad estándar, rodamiento con anillo interior ancho y anillo exterior cilíndrico con anillo de retención, rodamiento con ranura para relubricación y orificio de aceite en el lado opuesto al collarín de bloqueo, anillos interior y exterior con recubrimiento de óxido negro, tornillo de fijación clase 3A con parche de nylon, sello estándar tipo R.
|
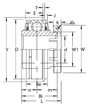
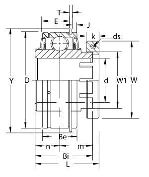
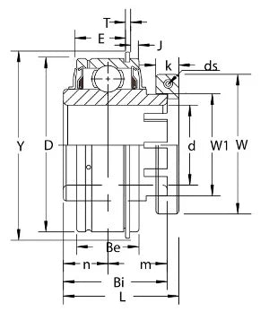
| Dimensiones (Pulgadas) | |||||||||||||
|---|---|---|---|---|---|---|---|---|---|---|---|---|---|
| D | Bi | Be | L | n | m | E | W1 | J | T | Y | K | W | ds (Rosca UNF) |
| 2-53/64" | 1-11/16" | 15/16" | 1-7/8" | 11/16" | 1" | 47/64" | 1-27/32" | 1/8" | 5/64" | 3-3/32" | 7/16" | 2-37/64" | 10-24x3/4 |
Share
