VXB
Inserto GER207-35mm GRIP-IT Rodamiento de 35mm de 360 Grados
Inserto GER207-35mm GRIP-IT Rodamiento de 35mm de 360 Grados
Precio habitual
$191.99 USD
Precio habitual
$294.00 USD
Precio de oferta
$191.99 USD
Precio unitario
/
por
No se pudo cargar la disponibilidad de retiro
| Este artículo será enviado dentro de una semana Devoluciones sujetas a una tarifa de reposición del 15% |
|
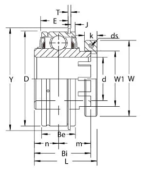
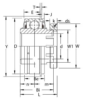
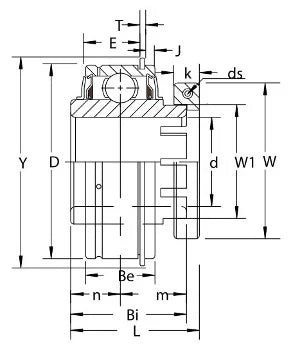
Inserto de rodamiento GER207-35mm GRIP-IT con bloqueo de 360 grados Bloqueo con tornillo de fijación Diámetro interior de 35mm |
Inserto de rodamiento GER207-35mm GRIP-IT con bloqueo de 360 grados, rodamiento de capacidad estándar, rodamiento con anillo interior ancho y anillo exterior cilíndrico con anillo de retención, rodamiento con ranura de relubricación y orificio de aceite en el lado opuesto al collar de bloqueo, anillos interior y exterior con recubrimiento de óxido negro, tornillo de fijación clase 3A con parche de nylon, sello estándar tipo R.
|
| Dimensiones (mm) | |||||||||||||
|---|---|---|---|---|---|---|---|---|---|---|---|---|---|
| D | Bi | Be | L | n | m | E | W1 | J | T | Y | K | W | ds (Rosca UNF) |
| 72 | 42.9 | 23.8 | 47.5 | 17.5 | 25.4 | 18.6 | 46.8 | 3.28 | 1.9 | 78.6 | 11.2 | 65.4 | 10-24x3/4 |
Share
