VXB
Inserto GER208-40mm GRIP-IT Rodamiento de 40mm y 360 Grados
Inserto GER208-40mm GRIP-IT Rodamiento de 40mm y 360 Grados
Precio habitual
$227.99 USD
Precio habitual
$349.00 USD
Precio de oferta
$227.99 USD
Precio unitario
/
por
No se pudo cargar la disponibilidad de retiro
| Este artículo será enviado dentro de una semana Devoluciones sujetas a una tarifa de reposición del 15% |
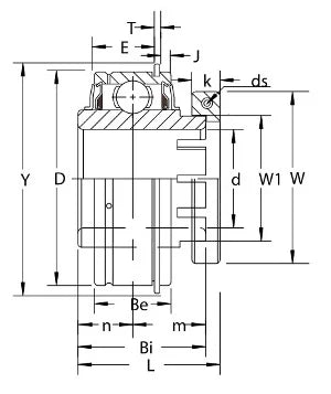
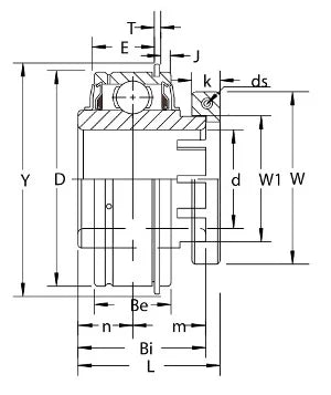
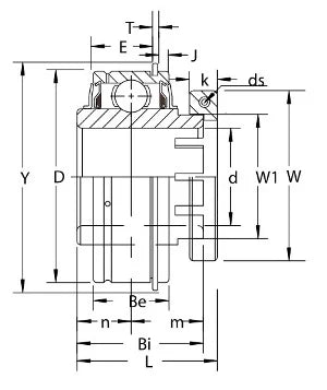
| Inserto de rodamiento GER208-40mm GRIP-IT Bloqueo de 360 grados Bloqueo con tornillo de fijación Diámetro interior de 40mm |
|
Inserto de rodamiento GER208-40mm GRIP-IT Bloqueo de 360 grados, rodamiento de capacidad estándar, rodamiento con anillo interior ancho y anillo exterior cilíndrico con anillo de retención, rodamiento con ranura para relubricación y orificio de aceite en el lado opuesto al collarín de bloqueo, anillos interior y exterior con recubrimiento de óxido negro, tornillo de fijación clase 3A con parche de nylon, sello estándar R-seal.
|
| Dimensiones (mm) | |||||||||||||
|---|---|---|---|---|---|---|---|---|---|---|---|---|---|
| D | Bi | Be | L | n | m | E | W1 | J | T | Y | K | W | ds (Rosca UNF) |
| 80 | 49.2 | 27.8 | 53.7 | 19 | 30.2 | 22.6 | 52.5 | 3.28 | 1.9 | 86.6 | 11 | 68.4 | 10-24x3/4 |
Share
