VXB
GER209-28 Inserto GRIP-IT 360 Grados Rodamiento de 1-3/4"
GER209-28 Inserto GRIP-IT 360 Grados Rodamiento de 1-3/4"
Precio habitual
$244.99 USD
Precio habitual
$375.00 USD
Precio de oferta
$244.99 USD
Precio unitario
/
por
No se pudo cargar la disponibilidad de retiro
| Este artículo será enviado dentro de una semana Devoluciones sujetas a una tarifa de reposición del 15% |
|
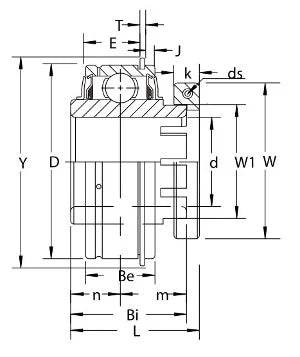
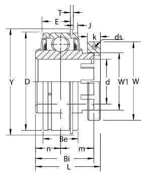
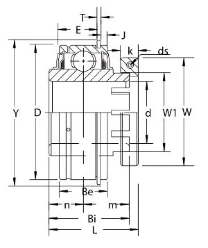
Inserto de rodamiento GER209-28 GRIP-IT con bloqueo de 360 grados Bloqueo con tornillo de fijación Diámetro interior de 1 3/4" Inch |
Inserto de rodamiento GER209-28 GRIP-IT con bloqueo de 360 grados, rodamiento de capacidad estándar, rodamiento con anillo interior ancho y anillo exterior cilíndrico con anillo de retención, rodamiento con ranura de relubricación y orificio de aceite en el lado opuesto al collarín de bloqueo, anillos interior y exterior con recubrimiento de óxido negro, tornillo de fijación clase 3A con parche de nylon, sello estándar R-seal.
|
| Dimensiones (Pulgadas) | |||||||||||||
|---|---|---|---|---|---|---|---|---|---|---|---|---|---|
| D | Bi | Be | L | n | m | E | W1 | J | T | Y | K | W | ds (Rosca UNF) |
| 3-11/32" | 1-15/16" | 1-3/32" | 2-1/8" | 3/4" | 1-3/16" | 57/64" | 2.256" | 1/8" | 5/64" | 3-39/64" | 29/64" | 2-15/16" | 10-24x3/4 |
Share
