VXB
GER210-31 Inserto GRIP-IT 360 Grados Rodamiento de 1 15/16 Pulgadas
GER210-31 Inserto GRIP-IT 360 Grados Rodamiento de 1 15/16 Pulgadas
Precio habitual
$293.99 USD
Precio habitual
$450.00 USD
Precio de oferta
$293.99 USD
Precio unitario
/
por
No se pudo cargar la disponibilidad de retiro
| Este artículo será enviado dentro de una semana Devoluciones sujetas a una tarifa de reposición del 15% |
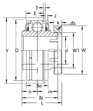
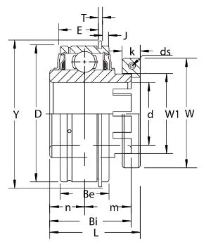
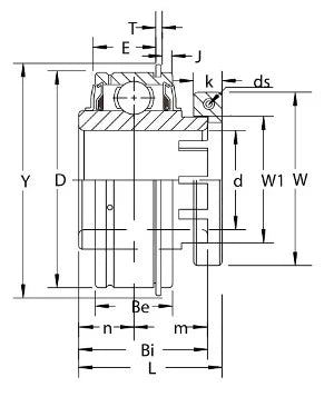
| Inserto de rodamiento GER210-31 GRIP-IT Bloqueo de 360 grados Bloqueo con tornillo de fijación Diámetro interior de 1 15/16" Pulgada |
|
Inserto de rodamiento GER210-31 GRIP-IT Bloqueo de 360 grados, rodamiento de capacidad estándar, rodamiento con anillo interior ancho y anillo exterior cilíndrico con anillo de retención, rodamiento con ranura para relubricación y orificio de aceite en el lado opuesto al collar de bloqueo, rodamiento con anillos interior y exterior recubiertos de óxido negro, tornillo de fijación clase 3A con parche de nylon, sello estándar tipo R.
|
| Dimensiones (Pulgadas) | |||||||||||||
|---|---|---|---|---|---|---|---|---|---|---|---|---|---|
| D | Bi | Be | L | n | m | E | W1 | J | T | Y | K | W | ds (Rosca UNF) |
| 3-35/64" | 2-1/32" | 1-1/8" | 2-17/64" | 3/4" | 1-9/32" | 57/64" | 2-7/16" | 1/8" | 7/64" | 4-13/64" | 37/64" | 3-3/8" | 1/4-20x1 |
Share
