VXB
GER210-32 Inserto GRIP-IT Rodamiento de 2 Pulgadas y 360 Grados
GER210-32 Inserto GRIP-IT Rodamiento de 2 Pulgadas y 360 Grados
Precio habitual
$299.99 USD
Precio habitual
$459.00 USD
Precio de oferta
$299.99 USD
Precio unitario
/
por
No se pudo cargar la disponibilidad de retiro
| Este artículo será enviado dentro de una semana Devoluciones sujetas a una tarifa de reposición del 15% |
|
Inserto de Rodamiento GER211-32 GRIP-IT con Bloqueo de 360 Grados Bloqueo con Tornillo de Fijación Diámetro Interior de 2" Inch |
Inserto de Rodamiento GER211-32 GRIP-IT con Bloqueo de 360 Grados, rodamiento de capacidad estándar, rodamiento con anillo interior ancho y anillo exterior cilíndrico con anillo de retención, rodamiento con ranura de relubricación y orificio de aceite en el lado opuesto al collarín de bloqueo, rodamiento con anillos interior y exterior recubiertos de óxido negro, tornillo de fijación clase 3A con parche de nylon, sello estándar tipo R.
|
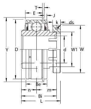
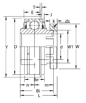
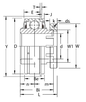
| Dimensiones (Pulgadas) | |||||||||||||
|---|---|---|---|---|---|---|---|---|---|---|---|---|---|
| D | Bi | Be | L | n | m | E | W1 | J | T | Y | K | W | ds (Rosca UNF) |
| 3-15/16" | 2-3/16" | 1-3/16" | 2-7/16" | 7/8" | 1.315" | 61/64" | 2-3/4" | 1/8" | 7/64" | 1-3/16" | 37/64" | 3-1/2" | 1/4-20x1 |
Share
