VXB
Inserto GER210-50mm GRIP-IT Rodamiento de 50mm 360 Grados
Inserto GER210-50mm GRIP-IT Rodamiento de 50mm 360 Grados
Precio habitual
$305.99 USD
Precio habitual
$468.00 USD
Precio de oferta
$305.99 USD
Precio unitario
/
por
No se pudo cargar la disponibilidad de retiro
| Este artículo será enviado dentro de una semana Devoluciones sujetas a una tarifa de reposición del 15% |
|
Inserto de rodamiento GER210-50mm GRIP-IT con bloqueo de 360 grados Bloqueo con tornillo de fijación Diámetro interior de 50mm |
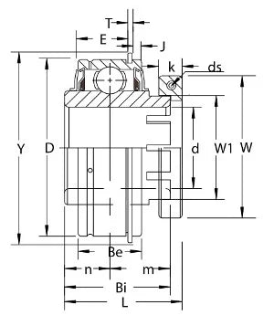
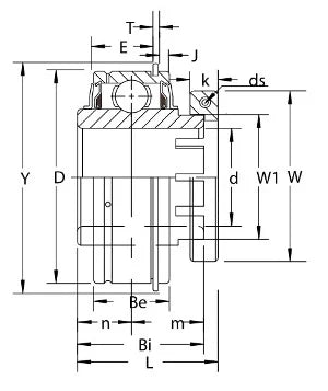
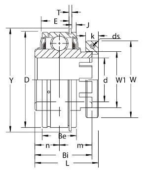
Inserto de rodamiento GER210-50mm GRIP-IT con bloqueo de 360 grados, rodamiento de capacidad estándar, rodamiento con anillo interior ancho y anillo exterior cilíndrico con anillo de retención, rodamiento con ranura de relubricación y orificio de aceite en el lado opuesto al collar de bloqueo, anillos interior y exterior con recubrimiento de óxido negro, tornillo de fijación clase 3A con parche de nylon, sello estándar tipo R.
|
| Dimensiones (mm) | |||||||||||||
|---|---|---|---|---|---|---|---|---|---|---|---|---|---|
| D | Bi | Be | L | n | m | E | W1 | J | T | Y | K | W | ds (Rosca UNF) |
| 90 | 51.6 | 28.6 | 57.6 | 19 | 32.6 | 22.6 | 62.1 | 3.28 | 2.7 | 96.5 | 14.5 | 86 | 1/4-20x1 |
Share
