VXB
Inserto GER212-36 GRIP-IT Rodamiento de 360 grados 2-1/4"
Inserto GER212-36 GRIP-IT Rodamiento de 360 grados 2-1/4"
Precio habitual
$516.99 USD
Precio habitual
$791.00 USD
Precio de oferta
$516.99 USD
Precio unitario
/
por
No se pudo cargar la disponibilidad de retiro
| Este artículo será enviado dentro de una semana Devoluciones sujetas a una tarifa de reposición del 15% |
|
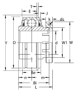
Inserto de rodamiento GER212-36 GRIP-IT con bloqueo de 360 grados Bloqueo con tornillo de fijación Diámetro interior de 2 1/4" Inch |
Inserto de rodamiento GER212-36 GRIP-IT con bloqueo de 360 grados, rodamiento de capacidad estándar, rodamiento con anillo interior ancho y anillo exterior cilíndrico con anillo de retención, rodamiento con ranura de relubricación y orificio de aceite en el lado opuesto al collar de bloqueo, anillos interior y exterior con recubrimiento de óxido negro, tornillo de fijación clase 3A con parche de nylon, sello estándar tipo R.
|
| Dimensiones (Pulgadas) | |||||||||||||
|---|---|---|---|---|---|---|---|---|---|---|---|---|---|
| D | Bi | Be | L | n | m | E | W1 | J | T | Y | K | W | ds (Rosca UNF) |
| 4-21/64" | 2-9/16" | 1-1/4" | 2-55/64" | 1" | 1-9/16" | 1-1/64" | 3-1/32" | 1/8" | 3/64" | 4-13/64" | 45/64" | 4-3/64" | 5/16-18x1 |
Share
