VXB
Inserto GER212-60mm GRIP-IT Rodamiento de 60mm 360 Grados
Inserto GER212-60mm GRIP-IT Rodamiento de 60mm 360 Grados
Precio habitual
$514.99 USD
Precio habitual
$788.00 USD
Precio de oferta
$514.99 USD
Precio unitario
/
por
No se pudo cargar la disponibilidad de retiro
| Este artículo se enviará dentro de una semana Devoluciones sujetas a una tarifa de reposición del 15% |
|
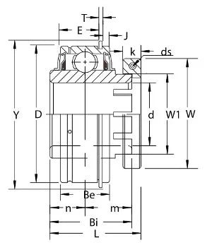
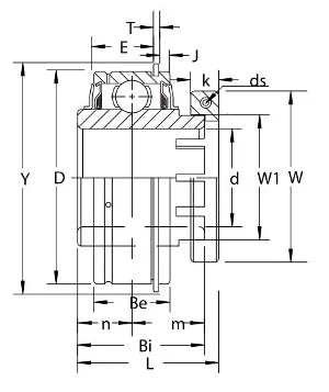
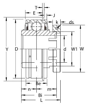
Inserto de rodamiento GER212-60mm GRIP-IT con bloqueo de 360 grados Bloqueo con tornillo de fijación Diámetro interior de 60mm |
Inserto de rodamiento GER212-60mm GRIP-IT con bloqueo de 360 grados, rodamiento de capacidad estándar, rodamiento con anillo interior ancho y anillo exterior cilíndrico con anillo de retención, rodamiento con ranura de relubricación y orificio de aceite en el lado opuesto al collar de bloqueo, anillos interior y exterior con recubrimiento de óxido negro, tornillo de fijación clase 3A con parche de nylon, sello estándar tipo R.
|
| Dimensiones (mm) | |||||||||||||
|---|---|---|---|---|---|---|---|---|---|---|---|---|---|
| D | Bi | Be | L | n | m | E | W1 | J | T | Y | K | W | ds (Rosca UNF) |
| 110 | 65.1 | 31.8 | 72.3 | 25.4 | 39.7 | 25.8 | 77 | 3.28 | 2.7 | 116.6 | 17.5 | 103 | 5/16-18x1 |
Share
