VXB
Inserto de Rodamiento HC205-13 - Collar Excéntrico Montado de 13/16 Pulgadas
Inserto de Rodamiento HC205-13 - Collar Excéntrico Montado de 13/16 Pulgadas
Precio habitual
$27.99 USD
Precio habitual
$43.00 USD
Precio de oferta
$27.99 USD
Precio unitario
/
por
No se pudo cargar la disponibilidad de retiro
|
Inserto de Rodamiento HC205-13 Collar excéntrico de bloqueo Diámetro interior de 13/16" pulgadas |
Inserto de Rodamiento HC205-13, rodamiento de capacidad estándar, rodamiento con anillo interior ancho y anillo exterior esférico, rodamiento con ranura de relubricación y orificio de aceite en el lado del tornillo de fijación, rodamiento con orificio de aceite opuesto a la ranura que lo hace intercambiable con todos los fabricantes, rodamiento con tornillo de fijación clase 3A con parche de nylon, sello estándar es R-Seal.
|
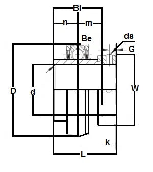
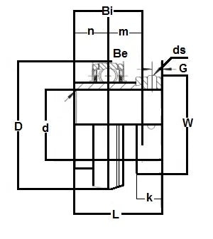
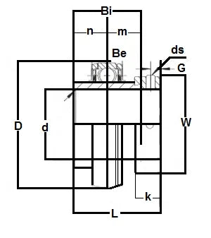
| Dimensiones (Pulgadas) | ||||||||||
|---|---|---|---|---|---|---|---|---|---|---|
| D | L | Bi | Be | r | n | m | W | K | G | ds(Hilo UNF) |
| 2-3/64" | 1-3/4" | 1-3/4" | 19/32" | 0.059" | 11/16" | 11/16" | 1-1/2" | 17/32" | 13/64" | 1/4-28x1/4 |
Share
