VXB
Inserto de Rodamiento HC212-39 - Collar Excéntrico Montado de 2 7/16 Pulgadas
Inserto de Rodamiento HC212-39 - Collar Excéntrico Montado de 2 7/16 Pulgadas
Precio habitual
          
            $103.99 USD
          
      
          Precio habitual
          
            
              
                $159.00 USD
              
            
          Precio de oferta
        
          $103.99 USD
        
      
      
        Precio unitario
        
          
          /
           por 
          
          
        
      
    No se pudo cargar la disponibilidad de retiro
| 
Inserto de Rodamiento HC212-39  Collar de Bloqueo Excéntrico Diámetro Interior de 2 3/8" pulgadas  | 
Inserto de Rodamiento HC212-39, rodamiento de capacidad estándar, rodamiento con anillo interior ancho y anillo exterior esférico, rodamiento con ranura de relubricación y orificio de aceite en el lado del tornillo de fijación, rodamiento con orificio de aceite opuesto a la ranura que lo hace intercambiable con todos los fabricantes, rodamiento con tornillo de fijación clase 3A con parche de nylon, sello estándar es R-Seal. 
  | 
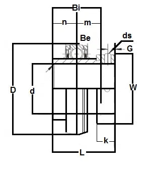
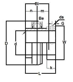
| Dimensiones (Pulgadas) | ||||||||||
|---|---|---|---|---|---|---|---|---|---|---|
| D | L | Bi | Be | r | n | m | W | K | G | ds(Hilo UNF) | 
| 4-21/64" | 3-1/16" | 2-27/64" | 1-1/16" | 0.098" | 1-7/32" | 1-7/32" | 3-5/16" | 7/8" | 0.315" | 7/16-20x7/16 | 
Share
