VXB
KR72 72mm Cam Follower Needle Roller Bearing
KR72 72mm Cam Follower Needle Roller Bearing
No se pudo cargar la disponibilidad de retiro
KR72 72mm Cam Follower Needle Roller Bearing One Bearing |
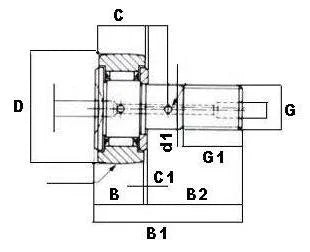
KR72 72mm Cam Follower ✅ The KR72 Cam Follower Needle Roller Bearing is built tough for heavy-duty, high-pressure applications. Designed with a 24mm shaft, 72mm outer diameter, and 80mm overall length, this cam follower easily handles both radial and axial loads. The M24x1.5 threaded stud makes installation fast and secure - ready to roll right out of the box! ✅ Product Specs:
💡 Customer Tip - Why use a needle roller cam follower instead of a plain bearing? Answer: Needle rollers spread loads more evenly, giving you higher strength and longer life even under heavy vibration or shock - perfect for cam tracks, conveyors, or industrial machines! ✅ Count on VXB Bearings for reliable cam follower solutions that keep your equipment moving smooth and strong every time! |
Share



