NB
NB SMF30 Casquillo deslizante de 30mm Casquillos de bolas Cojinete de movimiento lineal
NB SMF30 Casquillo deslizante de 30mm Casquillos de bolas Cojinete de movimiento lineal
Precio habitual
$141.99 USD
Precio habitual
$217.00 USD
Precio de oferta
$141.99 USD
Precio unitario
/
por
No se pudo cargar la disponibilidad de retiro
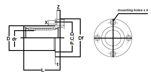
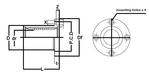
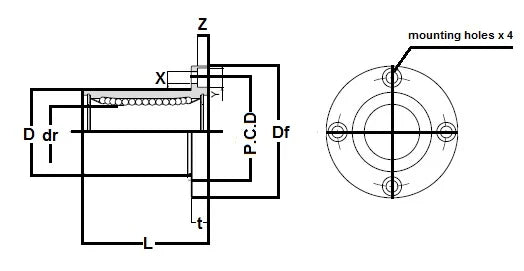
Casquillo deslizante tipo brida redonda SMF30 Fabricado en Japón: NB Linear Systems Nippon Bearing Linear Systems |
Casquillo de guía lineal redondo SMF30, el material del retenedor es acero, serie principalmente utilizada en EE. UU., marca NB (Nippon Bearing Linear Systems), fabricado en Japón.
|
Dimensiones principales | ||||||||
---|---|---|---|---|---|---|---|---|
dr | D | L | Df | t | P.C.D | X x Y x Z | ||
mm | tolerancia | mm | tolerancia | |||||
30 | 0-10 | 45 | 0-19 | 64 | 74 | 10 | 60 | 6.6 x 11 x 6.1 |
Share


