NB
SMF20GUU Casquillo deslizante de 20mm Casquillos miniatura Rodamiento lineal de movimiento
SMF20GUU Casquillo deslizante de 20mm Casquillos miniatura Rodamiento lineal de movimiento
Precio habitual
$56.99 USD
Precio habitual
$87.00 USD
Precio de oferta
$56.99 USD
Precio unitario
/
por
No se pudo cargar la disponibilidad de retiro
| SMF20GUU Tipo de Brida Redonda: Casquillo Deslizante Miniatura Fabricado en Japón: Sistemas lineales NB Sistemas lineales miniatura Nippon Bearing |
Casquillo lineal miniatura redondo SMF20GUU, el material del retenedor es resina, el rodamiento tiene sellos en ambos lados, serie utilizada principalmente en EE. UU., marca NB (Nippon Bearing Linear Systems), fabricado en Japón.
|
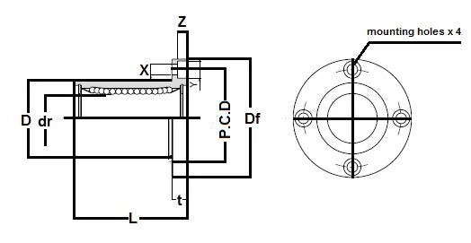
| Dimensiones principales | ||||||||
|---|---|---|---|---|---|---|---|---|
| dr | D | L | Df | t | P.C.D | X x Y x Z | ||
| mm | tolerancia | mm | tolerancia | |||||
| 20 | 0-10 | 32 | 0-19 | 42 | 54 | 8 | 43 | 5.5 x 9 x 5.1 |
Share
