NB
SMST6GWUU NB Casquillo deslizante de 6mm Casquillos Miniatura Movimiento Lineal Rodamiento
SMST6GWUU NB Casquillo deslizante de 6mm Casquillos Miniatura Movimiento Lineal Rodamiento
Precio habitual
$166.99 USD
Precio habitual
$255.00 USD
Precio de oferta
$166.99 USD
Precio unitario
/
por
No se pudo cargar la disponibilidad de retiro
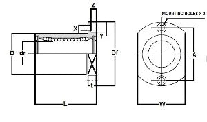
| Rodamiento Doble Ancho con Corte en Dos Lados SMST6GWUU NB Casquillo Deslizante Anticorrosión con Brida Hecho en Japón: NB Linear Systems Sistemas Lineales Nippon Bearing |
Casquillo de Deslizamiento con Brida Ancha Doble y Corte en Dos Lados SMST6GWUU NB, material del retenedor es resina, serie usada principalmente en EE. UU., marca NB (Nippon Bearing Linear Systems), Fabricado en Japón.
|
| Dimensiones Principales | |||||||||
|---|---|---|---|---|---|---|---|---|---|
| dr | D | L | Df | W | t | A | X x Y x Z | ||
| mm | tolerancia | mm | tolerancia | ||||||
| 6 | 0-10 | 12 | 0-13 | 35 | 28 | 18 | 5 | 20 | 3.5 x 6 x 3.1 |
Share
