1
/
de
2
VXB
1-1/4" Bearing HCFL206-20 2-Bolt Flanged Housing Mounted Bearing - Eccentric Collar Lock
1-1/4" Bearing HCFL206-20 2-Bolt Flanged Housing Mounted Bearing - Eccentric Collar Lock
Prix habituel
$52.99 USD
Prix habituel
$81.00 USD
Prix promotionnel
$52.99 USD
Prix unitaire
/
par
Impossible de charger la disponibilité du service de retrait
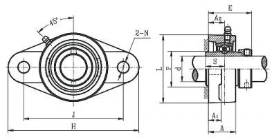
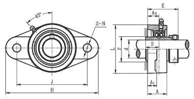
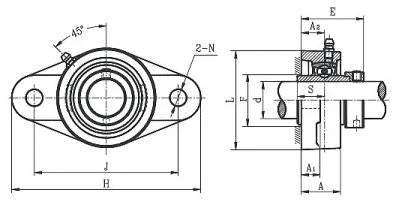
HCFL206-20 Flanged Mounted Bearing with Eccentric Collar Lock 1 1/4" Inch Inner Diameter One Bearing |
HCFL206-20 Flanged Mounted Bearing with eccentric collar lock. The inner diameter is 1 1/4"" inch.
|
Dimensions (Inches) | |||||||||||
---|---|---|---|---|---|---|---|---|---|---|---|
D | H | J | N | A | A1 | A2 | E | L | S | ||
1 1/4" | 5 19/32 " | 4 19/32 " | 15/32" | 1 9/32 " | 5/8 " | 25/32 " | 1 31/32 " | 3 7/32 " | 0.7165 " |
Partager

