1
/
de
2
VXB
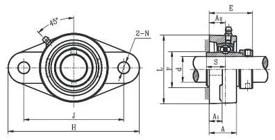
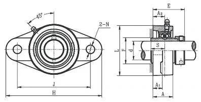
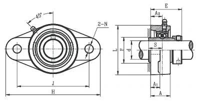
1-3/16" Bearing HCFL206-19 2-Bolt Flanged Housing Mounted Bearing - Eccentric Collar Lock
1-3/16" Bearing HCFL206-19 2-Bolt Flanged Housing Mounted Bearing - Eccentric Collar Lock
Prix habituel
$19.99 USD
Prix habituel
$48.99 USD
Prix promotionnel
$19.99 USD
Prix unitaire
/
par
Impossible de charger la disponibilité du service de retrait
HCFL206-19 Flanged Mounted Bearing with Eccentric Collar lock 1 3/16" Inch Inner Diameter One Bearing |
HCFL206-19 Flanged Mounted Bearing with eccentric collar lock. the inner diameter is 1 3/16" inch.
|
Dimensions (Inches) | |||||||||||
---|---|---|---|---|---|---|---|---|---|---|---|
D | H | J | N | A | A1 | A2 | E | L | S | ||
1 3/16 " | 5 19/32 " | 4 19/32 " | 15/32" | 1 9/32 " | 5/8 " | 25/32 " | 1 31/32 " | 3 7/32 " | 0.7165 " |
Partager

