1
/
de
3
NB
NB SMF50 50mm Glissière Bushing Roulements à Billes de Mouvement Linéaire
NB SMF50 50mm Glissière Bushing Roulements à Billes de Mouvement Linéaire
Prix habituel
$316.99 USD
Prix habituel
$485.00 USD
Prix promotionnel
$316.99 USD
Prix unitaire
/
par
Impossible de charger la disponibilité du service de retrait
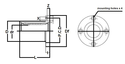
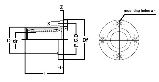
Bush de glissement de type flasque rond SMF50 Fabriqué au Japon: Systèmes linéaires NB Systèmes linéaires de roulement Nippon |
Bush de glissement linéaire rond SMF50, Le matériau de retenue est en acier, série principalement utilisée aux États-Unis, marque NB (Nippon Bearing Linear Systems), Fabriqué au Japon.
|
Dimensions principales | ||||||||
---|---|---|---|---|---|---|---|---|
dr | D | G | Df | Retournez le texte original tel quel s'il n'existe aucun mot traduisible ; s'il y en a, traduisez-les, en supposant que l'incertitude signifie traduire. | P.C.D | X x Y x Z | ||
mm | tolérance | mm | tolérance | |||||
50 | 0-12 | 80 | 0-22 | 100 | 116 | 13 | 98 | 9 x 14 x 8.1 |
Partager


