1
/
su
4
FYH
FYH Bearing UCF308 40mm Square Flanged Mounted Bearing
FYH Bearing UCF308 40mm Square Flanged Mounted Bearing
Prezzo di listino
$158.99 USD
Prezzo di listino
$243.00 USD
Prezzo scontato
$158.99 USD
Prezzo unitario
/
per
Impossibile caricare la disponibilità di ritiro
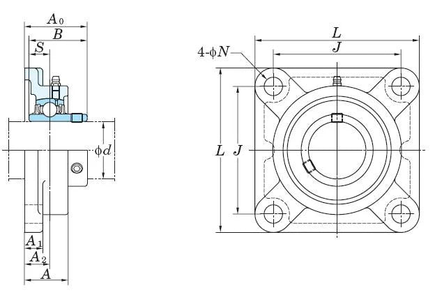
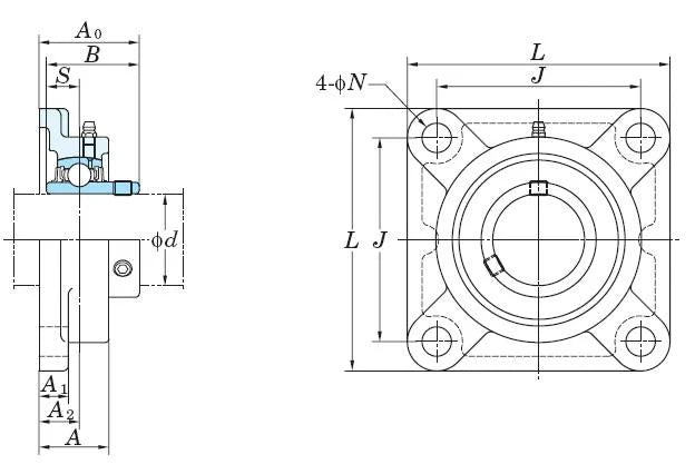
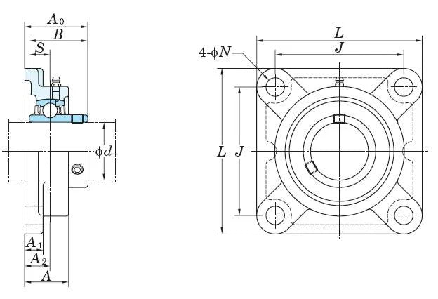
| UCF308 Square Flanged Mounted FYH Bearing Cylindrical bore (with set screws) 40mm Inner Diameter Bearing |
This heavy duty four-bolt flange unit has a round cartridge on the backside of the flange which allows for precise mounting and alignment.Applications Rotating drum, rotating roller, precise mounting accuracy is required
|
| Dimensions (mm) | |||||||||||||
|---|---|---|---|---|---|---|---|---|---|---|---|---|---|
| d | L | A | J | N | A1 | A2 | A0 | B | S | ||||
| 40 | 150 | 40 | 112 | 19 | 17 | 23 | 56 | 52 | 19 | ||||
Share
