1
/
su
4
FYH
FYH Bearing UCF315 75mm Square Flanged Mounted Bearing
FYH Bearing UCF315 75mm Square Flanged Mounted Bearing
Prezzo di listino
$628.99 USD
Prezzo di listino
$962.00 USD
Prezzo scontato
$628.99 USD
Prezzo unitario
/
per
Impossibile caricare la disponibilità di ritiro
| UCF315 Square Flanged Mounted FYH Bearing Cylindrical bore (with set screws) 75mm Inner Diameter Bearing |
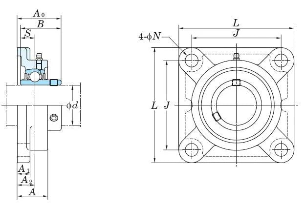
This heavy duty four-bolt flange unit has a round cartridge on the backside of the flange which allows for precise mounting and alignment.Applications Rotating drum, rotating roller, precise mounting accuracy is required
|
| Dimensions (mm) | |||||||||||||
|---|---|---|---|---|---|---|---|---|---|---|---|---|---|
| d | L | A | J | N | A1 | A2 | A0 | B | S | ||||
| 75 | 236 | 66 | 184 | 25 | 25 | 39 | 89 | 82 | 32 | ||||
Share
