1
/
su
3
NB
NB SMF6 6mm Slide Bush Ball Bushings Linear Motion Bearing
NB SMF6 6mm Slide Bush Ball Bushings Linear Motion Bearing
Prezzo di listino
$39.99 USD
Prezzo di listino
$61.00 USD
Prezzo scontato
$39.99 USD
Prezzo unitario
/
per
Impossibile caricare la disponibilità di ritiro
SMF6 Round Flange Type:Miniature Slide Bush Made in Japan:NB Linear Systems Nippon Bearing Miniature Linear Systems |
SMF6 Round Miniature Linear Slide Bush, The retainer material is steel, series mainly used in the USA, NB brand (Nippon Bearing Linear Systems), Made in Japan.
|
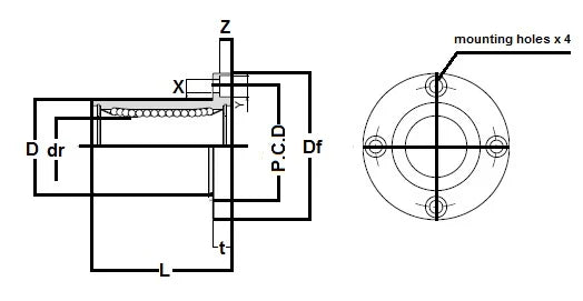
Major Dimensions | ||||||||
---|---|---|---|---|---|---|---|---|
dr | D | L | Df | t | P.C.D | X x Y x Z | ||
mm | tolerance | mm | tolerance | |||||
6 | 0-9 | 12 | 0-13 | 19 | 28 | 5 | 20 | 3.5 x 6 x 3.1 |
Share


