1
/
su
3
NB
SMSF6GUU 6mm Slide Bush Bushings Miniature Motion Linear Bearing
SMSF6GUU 6mm Slide Bush Bushings Miniature Motion Linear Bearing
Prezzo di listino
$61.99 USD
Prezzo di listino
$95.00 USD
Prezzo scontato
$61.99 USD
Prezzo unitario
/
per
Impossibile caricare la disponibilità di ritiro
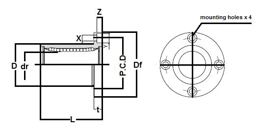
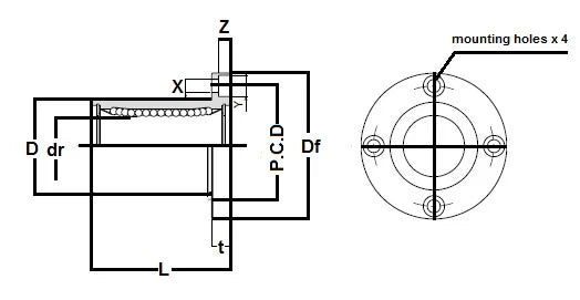
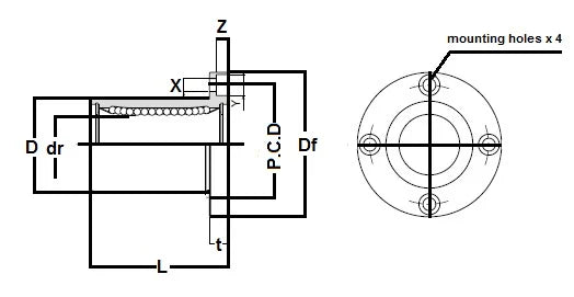
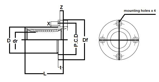
| SMSF6GUU Round Flange Anticorrosion Type:Miniature Slide Bush Made in Japan:NB Linear Systems Nippon Bearing Miniature Linear Systems |
SMSF6GUU Round Flange Anticorrosion Miniature Linear Slide Bush, Bearing is seals on both sides, The retainer material is resin, series mainly used in the USA, NB brand (Nippon Bearing Linear Systems), Made in Japan.
|
| Major Dimensions | ||||||||
|---|---|---|---|---|---|---|---|---|
| dr | D | L | Df | t | P.C.D | X x Y x Z | ||
| mm | tolerance | mm | tolerance | |||||
| 6 | 0-9 | 12 | 0-13 | 19 | 28 | 5 | 20 | 3.5 x 6 x 3.1 |
Share
