1
/
su
3
NB
SMST6WUU NB 6mm Slide Bush Bushings Miniature Motion Linear Bearing
SMST6WUU NB 6mm Slide Bush Bushings Miniature Motion Linear Bearing
Prezzo di listino
$176.99 USD
Prezzo di listino
$271.00 USD
Prezzo scontato
$176.99 USD
Prezzo unitario
/
per
Impossibile caricare la disponibilità di ritiro
| SMST6WUU NB Two Side Cut Double Wide Bearing Flange Anticorrosion Slide Bush Made in Japan:NB Linear Systems Nippon Bearing Linear Systems |
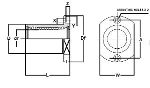
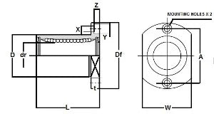
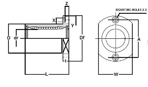
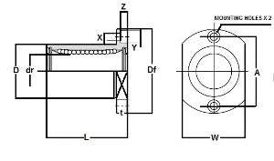
SMST6WUU NB Two Side Cut Double Wide Flange Anticorrosion Slide Bush, The retainer material is steel, series mainly used in the USA, NB brand (Nippon Bearing Linear Systems), Made in Japan.
|
| Major Dimensions | |||||||||
|---|---|---|---|---|---|---|---|---|---|
| dr | D | L | Df | W | t | A | X x Y x Z | ||
| mm | tolerance | mm | tolerance | ||||||
| 6 | 0-10 | 12 | 0-13 | 35 | 28 | 18 | 5 | 20 | 3.5 x 6 x 3.1 |
Share
