1
/
の
5
VXB
10-Pack Cam Followers Needle Bearing KR19 19mm
10-Pack Cam Followers Needle Bearing KR19 19mm
通常価格
$49.99 USD
通常価格
$209.99 USD
セール価格
$49.99 USD
単価
/
あたり
受取状況を読み込めませんでした
KR19 19mm Cam Follower Needle Roller Bearing lot of 10 Bearing |
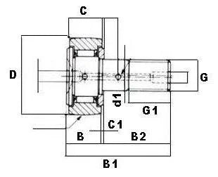
KR19 19mm Cam Follower Needle Roller Bearings, inner diameter is 8mm, outer diameter is 19mm and the length is 32mm.Thread standard is M8x1.2, the size is 8 x 19 x 32 mm.
|
Share




