1
/
の
2
VXB
2 1/8" Bearing HCF211-34 4-Bolt Flanged Housing Mounted Bearing - Eccentric Collar
2 1/8" Bearing HCF211-34 4-Bolt Flanged Housing Mounted Bearing - Eccentric Collar
通常価格
$99.00 USD
通常価格
$170.00 USD
セール価格
$99.00 USD
単価
/
あたり
受取状況を読み込めませんでした
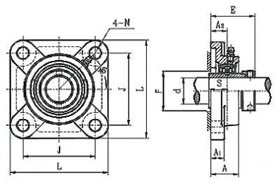
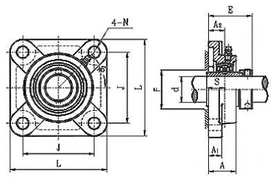
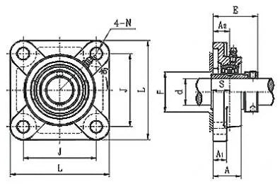
HCF211-34 Four Bolt Flange Unit Set Screw Type with Eccentric Collar 2 1/8" inch Inner Diameter |
HCF211-34 Four Bolt Flange Unit with eccentric collar, bearing is Set Screw Type, Inner Diameter is 2 1/8" inch.
|
Dimensions (Inch) | |||||||||
---|---|---|---|---|---|---|---|---|---|
d | L | J | A2 | A1 | A | E | N | S | F min. |
2 1/8" | 6 3/8" | 5 1/8" | 1" | 23/32" | 1 11/16" | 2 23/32" | 23/32" | 1 3/32" | 2 13/16" |
Share

