1
/
の
4
VXB
2-Pack Bearings UCF210-32 + Square Flanged Cast Housing Mounted Bearings
2-Pack Bearings UCF210-32 + Square Flanged Cast Housing Mounted Bearings
通常価格
$54.99 USD
通常価格
$84.00 USD
セール価格
$54.99 USD
単価
/
あたり
受取状況を読み込めませんでした
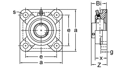
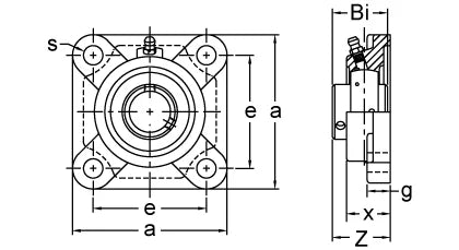
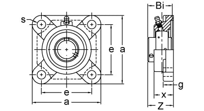
UCF210-32 Four Bolt Flange Unit Set Screw Type 2" inch Inner Diameter |
UCF210-32 Four Bolt Flange Unit, bearing is Set Screw Type, Inner Diameter is 2" inch
|
Share



