1
/
の
2
VXB
25mm 120" Aluminum Supported Rail Guideway Linear Motion System
25mm 120" Aluminum Supported Rail Guideway Linear Motion System
通常価格
$297.99 USD
通常価格
$456.00 USD
セール価格
$297.99 USD
単価
/
あたり
受取状況を読み込めませんでした
Freight Shipping Only One Week Delivery |
We don't Offer International Shipping |
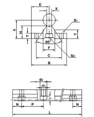
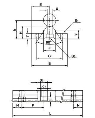
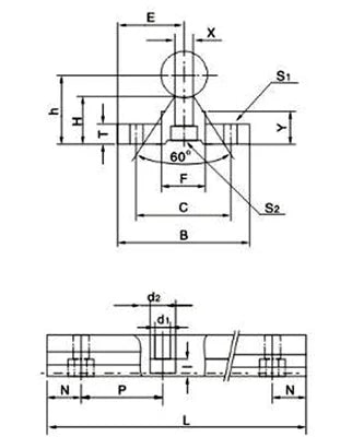
25mm Linear Guideway System 120" = 3048mm Long Rail |
Support | Diameter | E | h | B | H | T | F | X | Y | C | S1 | S2 |
SBR25 | 25 | 27.5 | 33 | 55 | 21 | 6 | 21.5 | 8 | 12 | 35 | 6.6 | 6.6x11x6.5 |
Share

