1
/
の
3
VXB
FHLF206-18G Bearing Flange 2 Bolt 1 1/8 Inch
FHLF206-18G Bearing Flange 2 Bolt 1 1/8 Inch
通常価格
$98.99 USD
通常価格
$151.00 USD
セール価格
$98.99 USD
単価
/
あたり
受取状況を読み込めませんでした
This item will be shipped within One Week Returns Subject to 15% restocking Fee |
FHLF206-18G Flange Light Duty 2 Bolt Unit Ball Bearings Eccentric Locking Collar 1 1/8" inch Inner Diameter |
FHLF206-18G Flange Light Duty 2 Bolt Unit Ball Bearing, Bearing is Light Duty and high grade cast iron, ideal for applications with limited mounting space, bearing is narrow inner ring, bearing is relubricatable, Standard seal is RST tight riding, full cover, metal shroud seals.
|
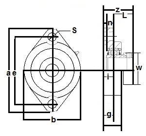
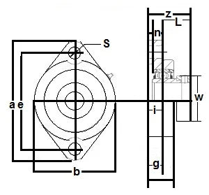
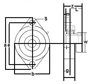
Dimensions (inches) | ||||||||||
---|---|---|---|---|---|---|---|---|---|---|
a | e | i | g | l | s | b | Z | L | n | W |
4-7/16" | 3-9/16" | 15/32" | 15/32" | 7/8" | 15/32" | 3" | 33/64" | 1-13/32" | 23/64" | 1-3/4" |
Share


