1
/
の
3
VXB
FHPW207-22G Pillow Block Cast Iron 1-3/8" Bearing
FHPW207-22G Pillow Block Cast Iron 1-3/8" Bearing
通常価格
$122.99 USD
通常価格
$188.00 USD
セール価格
$122.99 USD
単価
/
あたり
受取状況を読み込めませんでした
This item will be shipped within One Week Returns Subject to 15% restocking Fee |
FHPW207-22G Pillow Block Ductile Light Duty Ball Bearing Eccentric Locking Collar 1 3/8" Inch Inner Diameter |
FHPW207-22G Pillow Block Ductile Light Duty Ball Bearing, Bearing is solid foot housing design, bearing has Narrow inner ring, bearing is relubricatable unit, Standard seal is RST tight riding, full cover, metal shroud seals.
|
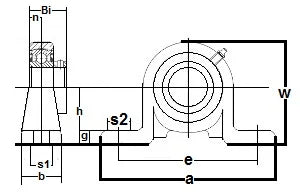
Dimensions (Inches) | ||||||||||||
---|---|---|---|---|---|---|---|---|---|---|---|---|
h | a | e | b | s1 | s2 | g | w | L | n | m | i | W |
1-7/8" | 6-1/4" | 5" | 1-3/8" | 9/16" | 13/16" | 7/16" | 3-5/32" | 1-13/32" | 3/8" | 5/8" | 17/32" | 2-13/64" |
Share


