1
/
の
3
VXB
FHSFLCTQ201-8 Bearing Flange Ductile Flush 2 Bolt 1/2" Bearing
FHSFLCTQ201-8 Bearing Flange Ductile Flush 2 Bolt 1/2" Bearing
通常価格
$65.99 USD
通常価格
$101.00 USD
セール価格
$65.99 USD
単価
/
あたり
受取状況を読み込めませんでした
This item will be shipped within One Week Returns Subject to 15% restocking Fee |
FHSFLCTQ201-8 Flange Ductile Flush 2 Bolt Unit Ball Bearings Set Screw Locking 1/2" Inch Inner Diameter |
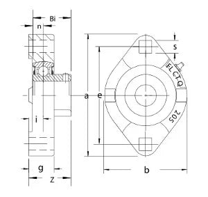
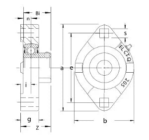
FHSFLCTQ201-8 Flange Ductile Flush 2 Bolt Unit Ball Bearing, Bearing is standard duty and high grade cast iron, bearing is narrow inner ring, bearing is Non-relubricatable, Standard seal is RST tight riding, full cover, metal shroud seals.
|
Dimensions (Inches) | ||||||||
---|---|---|---|---|---|---|---|---|
a | e | b | S1 | g | i | Z | Bi | n |
3-3/16" | 2-1/2" | 2-5/16" | 9/32" | 37/64" | 19/64" | 15/16" | 57/64" | 1/4" |
Share


