1
/
の
4
FYH
FYH Bearing UCF310 50mm Square Flanged Mounted Bearing
FYH Bearing UCF310 50mm Square Flanged Mounted Bearing
通常価格
$232.99 USD
通常価格
$356.00 USD
セール価格
$232.99 USD
単価
/
あたり
受取状況を読み込めませんでした
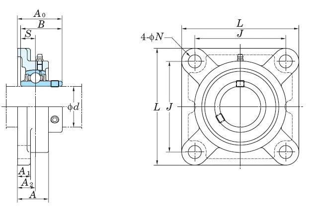
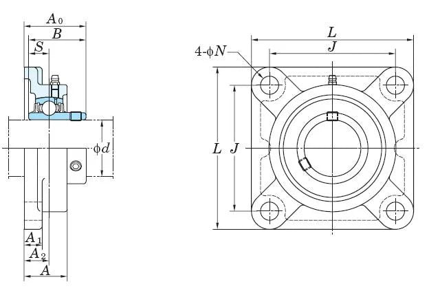
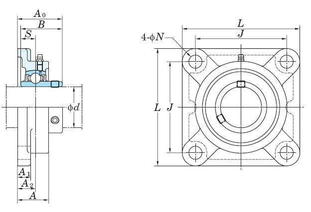
UCF310 Square Flanged Mounted FYH Bearing Cylindrical bore (with set screws) 50mm Inner Diameter Bearing |
This heavy duty four-bolt flange unit has a round cartridge on the backside of the flange which allows for precise mounting and alignment.Applications Rotating drum, rotating roller, precise mounting accuracy is required
|
Dimensions (mm) | |||||||||||||
---|---|---|---|---|---|---|---|---|---|---|---|---|---|
d | L | A | J | N | A1 | A2 | A0 | B | S | ||||
50 | 175 | 48 | 132 | 23 | 19 | 28 | 67 | 61 | 22 |
Share



