1
/
の
4
FYH
FYH Bearing UCF317 85mm Square Flanged Mounted Bearing
FYH Bearing UCF317 85mm Square Flanged Mounted Bearing
通常価格
$765.99 USD
通常価格
$1,172.00 USD
セール価格
$765.99 USD
単価
/
あたり
受取状況を読み込めませんでした
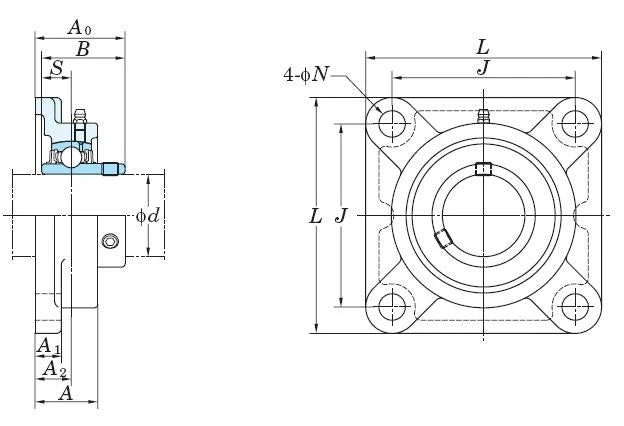
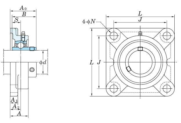
UCF317 Square Flanged Mounted FYH Bearing Cylindrical bore (with set screws) 85mm Inner Diameter Bearing |
This heavy duty four-bolt flange unit has a round cartridge on the backside of the flange which allows for precise mounting and alignment.Applications Rotating drum, rotating roller, precise mounting accuracy is required
|
Dimensions (mm) | |||||||||||||
---|---|---|---|---|---|---|---|---|---|---|---|---|---|
d | L | A | J | N | A1 | A2 | A0 | B | S | ||||
85 | 260 | 74 | 204 | 31 | 27 | 44 | 100 | 96 | 40 |
Share



