1
/
の
4
FYH
FYH Bearing UCF328 140mm Square Flanged Mounted Bearing
FYH Bearing UCF328 140mm Square Flanged Mounted Bearing
通常価格
$3,527.99 USD
通常価格
$5,398.00 USD
セール価格
$3,527.99 USD
単価
/
あたり
受取状況を読み込めませんでした
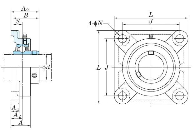
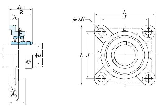
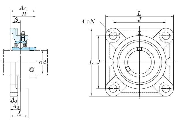
UCF328 Square Flanged Mounted FYH Bearing Cylindrical bore (with set screws) 140mm Inner Diameter Bearing |
This heavy duty four-bolt flange unit has a round cartridge on the backside of the flange which allows for precise mounting and alignment.Applications : Rotating drum, rotating roller, precise mounting accuracy is required
|
Dimensions (mm) | |||||||||||||
---|---|---|---|---|---|---|---|---|---|---|---|---|---|
d | L | A | J | N | A1 | A2 | A0 | B | S | ||||
140 | 450 | 125 | 350 | 41 | 55 | 75 | 161 | 145 | 59 |
Share



