1
/
の
3
FYH
FYH Bearing UCP326 130mm Pillow Block Mounted Bearing
FYH Bearing UCP326 130mm Pillow Block Mounted Bearing
通常価格
$2,894.99 USD
通常価格
$4,429.00 USD
セール価格
$2,894.99 USD
単価
/
あたり
受取状況を読み込めませんでした
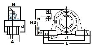
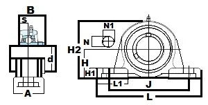
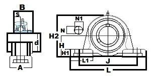
UCP326 FYH Bearing Pillow Block Bearing Cylindrical bore (with set screws) 130mm Inner Diameter |
This is the most common type of mounted ball unit. The rib at the bottom of the housing mounting section provides for a robust unit that can withstand great loads from any direction. Mounted units with cast steel housings are also available in this series, and are used for applications with severe loading and shock load conditions. Tapered-bore style units are offered individually and adapters are sold separately.
|
Share


