商品情報にスキップ
1 4

FYH

FYH Bearing UCPA201-8 1/2 Pillow Block Mounted Bearing

FYH Bearing UCPA201-8 1/2 Pillow Block Mounted Bearing

通常価格 $58.99 USD
通常価格 $90.00 USD セール価格 $58.99 USD
セール 売り切れ
UCPA201-8 FYH Bearing
Pillow Block Bearing
Cylindrical bore (with set screws)
1/2" Inner Diameter Bearing



This pillow type unit is designed to reduce mounting space, it is installed for machines with the two tapped holes on the bottom of the housing.Applications are Conveyors and areas with limited mounting space

  • UCPA201-8 Bearing
  • Tapped-base pillow units
  • Basic Load (Cr): 12.8 KN
  • Basic Load (Cor): 6.65 KN
  • Bearing No: UC201-8
  • Quantity: One bearing




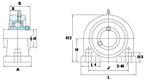
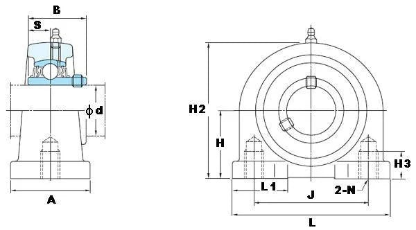
Dimensions (Inches)
d H L A J N H2 H3 L1 B S
1/2" 1-3/16" 3" 1-9/16" 2-3/64" M10x1.5" 2-3/8" 1/2" 1-1/16" 1-7/32" 1/2"


詳細を表示する