1
/
の
4
FYH
FYH UCFC201-8 1/2 Round Flanged Bearing Mounted Bearing
FYH UCFC201-8 1/2 Round Flanged Bearing Mounted Bearing
通常価格
$61.99 USD
通常価格
$95.00 USD
セール価格
$61.99 USD
単価
/
あたり
受取状況を読み込めませんでした
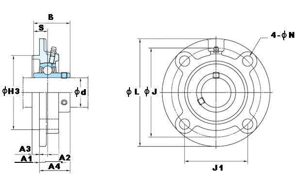
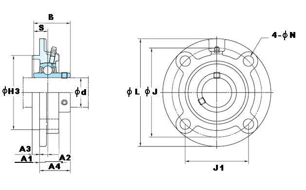
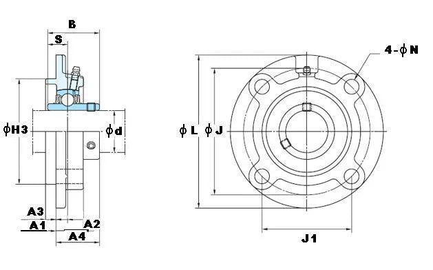
UCFC201-8 FYH Bearing Round flanged Mounted Bearing Cylindrical bore (with set screws) 1/2" Inner Diameter Bearing |
This four-bolt flange cartridge unit has a round cartridge on the backside of the flange which allows for precise mounting and alignment.Application are Rotating drum, rotating roller and areas where precise mounting accuracy is required.
|
Dimensions (Inches) | |||||||||||
---|---|---|---|---|---|---|---|---|---|---|---|
d | L | H3 | J | J1 | N | A1 | A2 | A3 | A4 | B | S |
1/2" | 3-15/16" | 2.44" | 3-5/64" | 2-11/64" | 15/32" | 13/16" | 25/64" | 13/64" | 1-1/8" | 1.22" | 0.5" |
Share



